8. ANHANG
8.1. A: Übersicht der Anschlüsse
![]() | |
A | Lastanschluss AC-out-1. Von links nach rechts: N (Neutral), PE (Erde/Masse), L (Phase) |
B | Lastanschluss AC-out-2. Von links nach rechts: N (Neutral), PE (Erde/Masse), L (Phase) |
C | Wechselstromeingang 2: Von links nach rechts: N (Neutral), PE (Erde/Masse), L (Phase) |
D | Wechselstromeingang 1: Von links nach rechts: N (Neutral), PE (Erde/Masse), L (Phase) |
E | Alarm-Kontakt: (links nach rechts) NO, NC, COM. |
F | Drucktaste A - Zur Durchführung eines Starts ohne Assistenten |
G | Primärer Erdungsanschluss M6 (PE). |
H | Erhaltungsladung (nur 12 und 24 V Modell) |
I | M8 Plusanschluss der Batterie. |
J | M8 Minusanschluss der Batterie. |
K | Schalter: 1=An, 0=Aus, ||= nur Ladegerät |
L | Stecker für Fernbedienungsschalter: Kurzschluss auslösen zum „Ein-“schalten |
M | 2x RJ45-VE.Bus-Stecker für die Fernsteuerung und/oder Parallel- / 3-Phasenbetrieb. |
N | Anschluss für: Von oben nach unten:
|
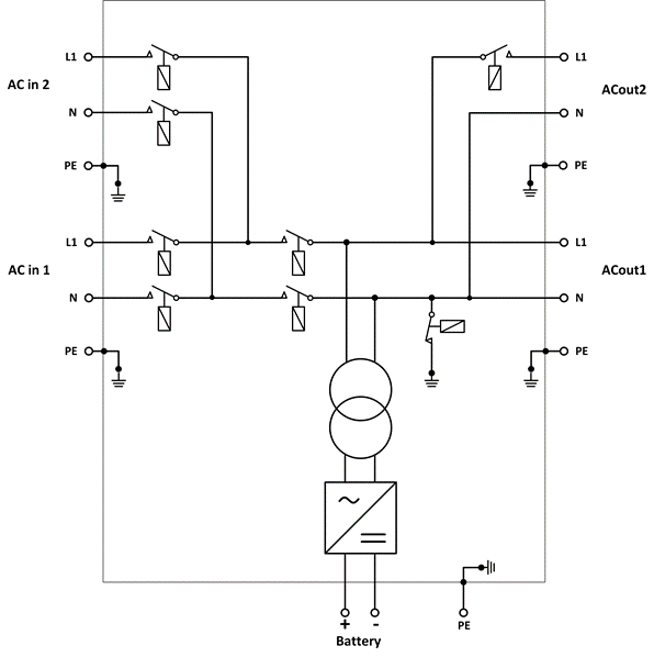
8.2. B: Blockschaltbild

* Siehe Tabelle in Kapitel 4.2 „Empfohlene DC-Sicherung“.
8.3. C: Anschlussdiagramm für parallele Anschlüsse

8.4. D: Anschlussdiagramm für Drei-Phasen-Anschlüsse

8.5. E: Ladealgorithmus


4-stufiges Laden:
Konstantstrom
Eingeleitet, wenn Ladegerät gestartet wird. Konstantstrom wird zugeführt, bis die nominale Batteriespannung erreicht wird. Dies ist abhängig von der Temperatur und der Eingangsspannung. Danach wird konstante Energie zugeführt, bis zu dem Punkt an dem die übermäßige Gasung einsetzt (bzw. 14,4 V, 28,8 V oder 57,6 temperaturkompensiert).
BatterySafe
Die an der Batterie anliegende Spannung wird schrittweise erhöht, bis die eingestellte Konstantspannung erreicht wird. Der BatterySafe Modus ist Teil der berechneten Konstantspannungsdauer.
Konstantspannung
Die Konstantspannungsdauer hängt von der Konstantstromdauer ab. Die maximale Konstantspannungsdauer ist die eingestellte Maximale Konstantspannungsdauer.
Ladeerhaltungsspannung
Die Ladeerhaltungsspannung wird dazu genutzt, um die Batterie im voll aufgeladenen Zustand zu halten.
Speicherung
Nach einem Tag in der Erhaltungsladungsphase wird die Ausgangsspannung auf das Niveau der Lagerungsspannung gesenkt. Das bedeutet 13,2 V für 12 V-, 26,4 V für 24 V- und 52,8 V für 48 V-Batterien. Dadurch wird der Wasserverlust weitestgehend verringert, wenn die Batterie für den Winter eingelagert wird. Nach einem einstellbaren Zeitraum (Voreinstellung = 7 Tage) schaltet das Ladegerät in den Wiederholten-Konstantspannungsmodus und zwar für einen einstellbaren Zeitraum (Voreinstellung = eine Stunde ), um die Batterie „aufzufrischen“.
8.6. Temperaturkompensation

Die obige Tabelle zeigt die standardmäßigen Ausgangsspannungen für Ladeerhaltung und Konstantspannung bei 25 °C für 12- und 24 V-Batteriebänke. Für eine 48 V-Batteriebank multiplizieren Sie die 24 V-Spannungen mit 2.
Reduzierte Ladeerhaltungsspannung folgt auf die Ladeerhaltungsspannung und erhöhte Konstantspannung folgt auf die Konstantspannung.
Im Anpassungsmodus gilt die Temperaturkompensation nicht.
8.7. G: Gehäuseabmessungen


