9. BIJLAGE
9.1. Bijlage A: overzicht van de verbindingen

NL | |
|---|---|
A | DIP schakelaar verwijder afdekking |
B | Aan/uit/alleen lader schakelaar |
C | VE.Bus communicatie poort |
D | Temperatuursensor |
E | Alarm contact |
F | Accu min-pool |
G | Start accu plus-pool |
H | Afstandsbediening |
I | Netspanning IN |
J | Netspanning/omzetter UIT |
K | Accu plus-pool |
L | Aarde-aansluiting |
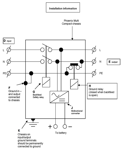
9.2. Bijlage B: installatie informatie

NL | |
|---|---|
D | Ingang |
E | Uitgang |
F | Aarde in- en uitgang verbonden met het chassis |
G | Backfeed veiligheids-relais |
H | Aard-relais (gesloten indien de backfeed open is) |
J | Bi-directionele omzetter |
K | Chassis op ingang/uitgang klemmen zou permanent geaard moeten zijn |
9.3. Bijlage C: parallele aansluiting

9.4. Bijlage D: driefasen aansluiting

9.5. Bijlage E: laad-algoritme
![]() |
Viertraps opladen:
Bulk: Ingevoerd wanneer de lader wordt gestart. Er wordt constante stroom toegepast, totdat de gasspanning is bereikt (14,4 V of 28,8 V, temperatuurgecompenseerd).
Battery Safe: Indien voor het snel laden van een accu gekozen is voor een hoge laadstroom in combinatie met een hoge absorptiespanning, zal de Multi schade door overmatige gasvorming voorkomen door automatisch de snelheid van de spanningsstijging te beperken zodra de gas-spanning is bereikt. De Battery Safe periode is onderdeel van de berekende absorptietijd.
Absorptie: Een constante spanning om deaccu volledig op te laden. De absorptietijd is gelijk aan 20x bulktijd of de ingestelde maximale absorptietijd, afhankelijk van wat zich het eerst voordoet.
Druppelspanning: Er wordt druppelspanning toegepast om de accu volledig opgeladen te houden en te beschermen tegen zelfontlading.
Opslag: Na een dag laden met druppelspanning schakelt de lader over op opslag. Dit is 13,2 V resp. 26,4 V (voor een 12 V- en 24 V-oplader). Dit zal het waterverlies tot een minimum beperken. Na een instelbare tijd (standaard = 7 dagen) gaat de lader naar herhaalde absorptie voor een instelbare tijd (standaard = 1 uur).
9.6. Bijlage F: temperatuur compensatie

Standaard uitgangsspanningenvoor druppel en absorptie zijn van toepassing bij 25 °C.
Verlaagde druppelspanning volgt na druppelspanning en verhoogde absorptiespanning volgt na absorptiespanning.
Temperatuurcompensatie is niet van toepassing in de aanpassingsmodus.
9.7. Bijlage G:afmetigen

