9. APÉNDICE
9.1. Apéndice A: Conexiones

EN | |
|---|---|
A | Interruptor DIP Retirar cubierta |
B | Conmutador On/off/charger only (solo cargador) |
C | Puerto de comunicación VE.Bus |
D | Sensor de temperatura |
E | Contacto de alarma |
F | Negativo de la batería |
G | Positivo de la batería de arranque |
H | Control remoto |
I | ENTRADA red |
J | SALIDA red/convertidor |
K | Positivo de la batería |
L | Conexión a tierra |
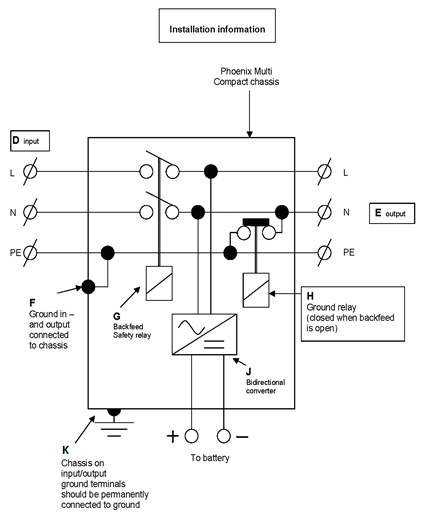
9.2. Apéndice B: Información de la instalación

EN | |
|---|---|
D | Entrada |
E | Salida |
F | Puesta a tierra y salida conectadas a la carcasa |
G | Relé de seguridad de retroalimentación |
H | Relé de puesta a tierra (cerrado cuando está abierta la retroalimentación) |
J | Convertidor bidireccional |
K | El chasis de los terminales de puesta a tierra de entrada/salida debe estar permanentemente conectado a tierra |
9.3. Apéndice C: Conexión en paralelo

9.4. Apéndice D: Conexión trifásica

9.5. Apéndice E: Algoritmo de carga
![]() |
Carga de 4 etapas:
Carga inicial: Empieza al arrancar el cargador. Se aplica una corriente constante hasta alcanzar la tensión de gaseado (14,4 V resp. 28,8 V, compensación de temperatura).
BatterySafe: Si para cargar una batería rápidamente se ha elegido una combinación de corriente de carga alta con una tensión de absorción alta, el Multi evitará que se produzcan daños por exceso de gaseado limitando automáticamente el ritmo de incremento de tensión una vez que se haya alcanzado la tensión de gaseado. El periodo BatterySafe forma parte del tiempo de absorción calculado.
Absorción: Un periodo de tensión constante para cargar completamente la batería. El tiempo de “absorption” es igual a 20 veces el tiempo “bulk” o al tiempo de absorción máximo, cualquiera que se dé en primer lugar.
Flotación: La tensión de flotación se aplica para mantener la batería completamente cargada y para protegerla contra la autodescarga.
Almacenamiento: Tras un día en carga de flotación el cargador pasa a almacenamiento. Esto es 13,2 V resp. 26,4 V (para cargadores de 12 V y 24 V). Esto reducirá la pérdida de agua al mínimo. Tras un periodo de tiempo que puede ajustarse (por defecto = 7 días), el cargador entrará en modo “Repeated Absorption” (absorción repetida) durante un periodo de tiempo que se puede ajustar (por defecto = 1 hora).
9.6. Apéndice F: Compensación de temperatura

Las tensiones de salida por defecto para “Float” y “Absorption” están a 25ºC.
La tensión de flotación reducida sigue a la tensión de flotación y la tensión de absorción incrementada sigue a tensión de absorción.
En modo de ajuste la compensación de temperatura no se aplica.
9.7. Apéndice G: Dimensiones

