8. BILAGA
8.1. Bilaga A: Översikt anslutningar
SV | |
|---|---|
A | DIP-switch Ta bort hölje |
B | På/ Av/ Endast laddare- brytare |
C | VE.Bus kommunikationsport |
D | Temperatursensor |
E | Larmkontakt: |
F | Batteri minus |
G | Startbatteri plus |
H | Fjärrstyrning |
I | Nätström IN |
J | Nätström/omvandlare UT |
K | Batteri plus |
L | Jordanslutning |
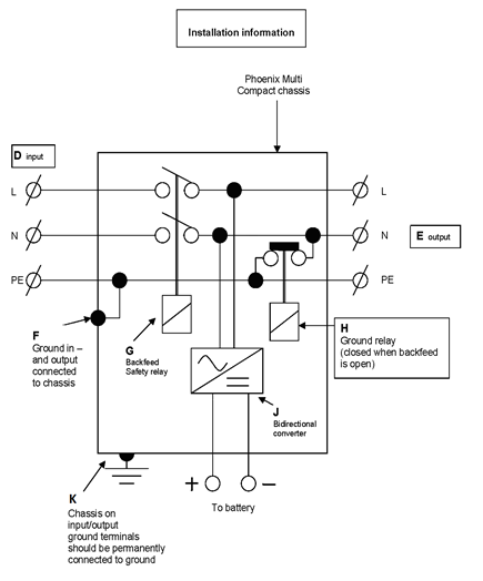
8.2. Bilaga : Installationsinformation

SV | |
|---|---|
D | Ingång |
E | Utgång |
F | Jord in- och utgång kopplad till chassi |
G | Säkerhetsrelä mot tillbakaflöde |
H | Jordrelä (stängt när tillbakaflödet är öppet) |
J | Dubbelriktad omvandlare |
K | Chassit på ingång/utgångsjordterminaler ska alltid vara kopplade till jord. |
8.3. Bilaga C: Parallellanslutning
8.4. Bilaga D: trefasanslutning
8.5. Bilaga E: laddningsalgoritm
![]() |
4-stegsladdning:
Bulk: Anges när laddaren är igång. Konstant ström läggs på tills galningsspänning uppnås (14.4 V resp. 28.8 V temperaturkompenserade)
Battery Safe: Om en hög laddningsström i kombination med en hög absorptionsspänning har valts för att snabbt ladda upp ett batteri, kommer Multi förhindra skador orsakade av för hög gasutveckling genom att automatiskt begränsa hastigheten för spänningsökning så snart som gasspänningen har uppnåtts. Battery Safe-perioden är en del av den beräknade absorptionstiden.
Absorption: En period med konstant spänning för att få batteriet fulladdat. Absorptionstiden är lika med 20x bulktiden eller den maximalt inställda absorptionstiden, vad som kommer först.
Float: Floatspänningen tillämpas för att hålla batteriet fulladdat och för att skydda det mot självurladdning.
Förvaring Efter en dags floatladdning växlar laddaren till förvaring. Det är 13,2 V resp. 26,4 V (för 12 V och 24 V laddare). Detta begränsar vattenförlusten till ett minimum. Efter en inställningsbar tidsperiod (standard = 7 dagar) går laddaren in i upprepat absorptionsläge under en inställningsbar tid (standard = en timme).
8.6. Bilaga F: temperaturkompensation

Standardutgångspänningar för float och absorption är vid 25 °C.
Reducerad floatspänning följer floatspänning och höjd absorptionsspännning följer absorptionsspänning.
I justerat läge tillämpas inte temperaturkompensation.
8.7. Bilaga G: Dimensioner

