8. APÊNDICE
8.1. Apêndice A: resumo de ligações
EN | |
|---|---|
A | Interruptor DIP Remover tampa |
B | Interruptor Ligar/Desligar/Só carregador |
C | Porta de comunicação VE.BUS |
D | Sensor de temperatura |
E | Contacto de alarme |
F | Negativo de bateria |
G | Positivo de bateria de arranque |
H | Controlo remoto |
I | ENTRADA de rede elétrica |
J | SAÍDA de conversor/rede elétrica |
K | Positivo de bateria |
L | Ligação de terra |
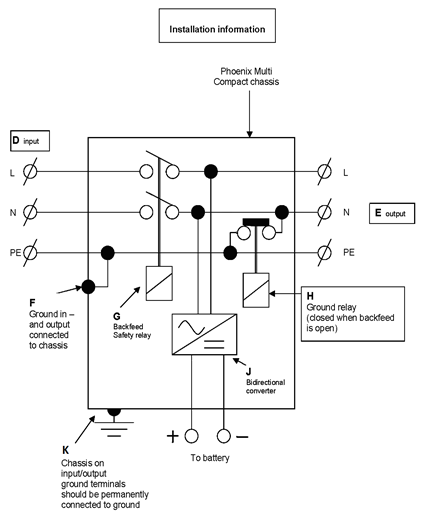
8.2. Apêndice B: informação da instalação

EN | |
|---|---|
D | Entrada |
E | Saída |
F | Entrada de terra e saída ligada à caixa |
G | Relé de segurança em retroalimentação |
H | Relé de terra (fechado quando a retroalimentação está aberta) |
J | Conversor bidirecional |
K | A caixa nos terminais de terra de entrada/saída deve estar permanentemente ligada a terra |
8.3. Apêndice C: ligação paralela
8.4. Apêndice D: ligação trifásica
8.5. Apêndice E: algoritmo de carga
![]() |
Carga de 4 etapas:
Carga inicial: Introduzida com o arranque do carregador. A corrente constante é aplicada até a tensão de gaseificação ser atingida (14,4 V, resp. 28,8 V, temperatura compensada).
BatterySafe: Se escolher uma combinação de corrente de carga e de tensão de absorção elevadas para carregar a bateria rapidamente, o Multi evitará os danos por gaseificação limitando automaticamente o aumento da tensão quando atingir o ponto de gaseificação. O período BatterySafe integra o tempo de absorção calculado.
Absorção: Um período de tensão constante para carregar completamente a bateria. O tempo de absorção é igual a 20 vezes o tempo de carga inicial ou de absorção máximo, o que for atingido primeiro.
Flutuação: A tensão de flutuação é aplicada para manter a bateria completamente carregada e para a proteger da autodescarga.
Armazenagem: Após um dia de carga de flutuação, o carregador muda para armazenagem. Corresponde a 13,2 V resp. 26,4 V (para carregador 12 V e 24 V). Isto vai limitar a perda de água ao mínimo. Depois de um tempo regulável (defeito =7 dias), o carregador entra no modo de absorção repetida durante um período regulável (defeito = uma hora).
8.6. Apêndice F: compensação da temperatura

As tensões de saída predefinidas para a Carga Lenta e a Absorção são 25 ºC.
A tensão de Carga Lenta Reduzida sucede à tensão de Carga Lenta e a tensão de Absorção sucede à tensão de Absorção Aumentada.
A compensação de temperatura não se aplica no modo de regulação.
8.7. Apêndice G: dimensões

