8. APPENDICE
8.1. Appendice A: panoramica connessioni
IT | |
|---|---|
A | DIP switch Rimuovi carcassa |
B | Interruttore On/Off/Charger Only |
C | Porte di comunicazione VE.BUS |
D | Sensore temperatura |
E | Contatto allarme |
F | Polo negativo batteria |
G | Polo positivo batteria di avviamento |
H | Controllo remoto |
I | Rete IN |
J | Rete/convertitore OUT |
K | Polo positivo batteria |
L | Collegamento di terra |
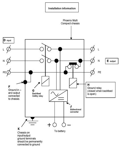
8.2. Appendice B: informazioni per l'installazione

IT | |
|---|---|
D | Ingresso |
E | Uscita |
F | Ingresso e uscita di terra collegati al telaio |
G | Relè di sicurezza contro il ritorno |
H | Relè di massa (chiuso quando è aperto quello di ritorno) |
J | Convertitore bidirezionale |
K | Il telaio in corrispondenza dei morsetti di ingresso/uscita di terra dovrebbe essere sempre messo a terra |
8.3. Appendice C: collegamento in parallelo
8.4. Appendice D: collegamento trifase
8.5. Appendice E: algoritmo di carica
![]() |
Carica a 4 fasi:
Bulk (prima fase di carica): Si attiva all'avviamento del caricabatterie. Viene fornita corrente costante fino al raggiungimento della tensione di gassificazione (14,4 V e 28,8 V rispettivamente, compensazione di temperatura).
Battery Safe: Se per abbreviare il tempo di carica si opta per una corrente di carica elevata e per una tensione di assorbimento superiore, il Multi eviterà i danni da eccessiva gassificazione della batteria limitando automaticamente la velocità di aumento della tensione dopo il raggiungimento della tensione di gassificazione. Il periodo Battery Safe è parte del tempo di assorbimento calcolato.
Assorbimento: Un periodo a tensione costante per la ricarica completa della batteria. Il tempo di assorbimento equivarrà a 20 volte il tempo di prima fase di carica o al tempo massimo di assorbimento impostato, a seconda di quale dei due si raggiunge prima.
Mantenimento: La tensione di mantenimento viene applicata per mantenere la piena carica della batteria e per proteggerla dall'autoscarica.
Accumulo: Dopo un giorno di Carica di mantenimento, il caricabatterie passa alla carica di accumulo. Tale carica è di 13,2 V e 26,4 V rispettivamente per caricabatterie da 12 V e 24 V. Ciò limiterà al minimo le perdite di acqua. Dopo un periodo di tempo regolabile (predefinito = 7 giorni), il caricabatterie entra in Assorbimento Ripetuto per un tempo regolabile (predefinito = 1 ora).
8.6. Appendice F: compensazione della temperatura

Le tensioni di uscita predefinite per le modalità Mantenimento e Assorbimento sono impostate su 25 °C.
Il Mantenimento ridotto segue la tensione di mantenimento e l'Assorbimento maggiorato segue la tensione di assorbimento.
Nella modalità di regolazione, la compensazione della temperatura è disabilitata.
8.7. Appendice G: dimensioni

