8. APPENDIX
8.1. Appendix A: overview connections
EN | |
|---|---|
A | DIP switch Remove cover |
B | On/off/charger only switch |
C | VE.BUS Communications port |
D | Temperature sensor |
E | Alarm contact |
F | Batterie Minus |
G | Starter battery plus |
H | Remote control |
I | Mains IN |
J | Mains/converter OUT |
K | Battery plus |
L | Earth connection |
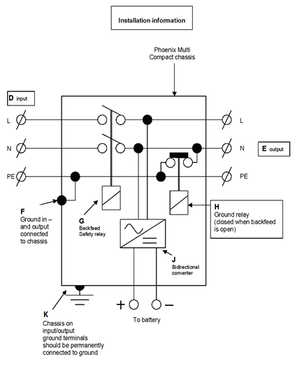
8.2. Appendix B: installation information

EN | |
|---|---|
D | Input |
E | Output |
F | Ground in– and output connected to chassis |
G | Backfeed safety relay |
H | Ground relay (closed when backfeed is open) |
J | Bidirectional converter |
K | Chassis on input/output ground terminals should be permanently connected to ground |
8.3. Appendix C: parallel connection
8.4. Appendix D: three-phase connection
8.5. Appendix E: charge algorithm
![]() |
4-stage charging:
Bulk: Entered when charger is started. Constant current is applied until the gassing voltage is reached (14.4V resp. 28.8V, temperature compensated).
Battery Safe: If, in order to quickly charge a battery, a high charge current in combination with a high absorption voltage has been chosen, the Multi will prevent damage due to excessive gassing by automatically limiting the rate of voltage increase once the gassing voltage has been reached. The Battery Safe period is part of the calculated absorption time.
Absorption: A constant voltage period to fully charge the battery. The absorption time is equal to 20x bulk time or the set maximum absorption time, whichever comes first.
Float: Float voltage is applied to keep the battery fully charged and to protect it against self-discharge.
Storage: After one day of Float charge the charger switches to storage. This is 13,2V resp. 26,4V (for 12V and 24V charger). This will limit water loss to a minimum. After an adjustable time (default = 7 days) the charger will enter Repeated Absorption for an adjustable time (default = 1 hour).
8.6. Appendix F: temperature compensation

Default output voltages for Float and Absorption are at 25°C.
Reduced Float voltage follows Float voltage and Raised Absorption voltage follows Absorption voltage.
In adjust mode temperature compensation does not apply.
8.7. Appendix G: dimensions

