Skip to main content
Toggle navigation
Filax 2
print
Toggle navigation
Filax 2
Bijlage
Terug
9
.
Bijlage
In deze sectie
:
9.1
.
Dimensies behuizing
9.2
.
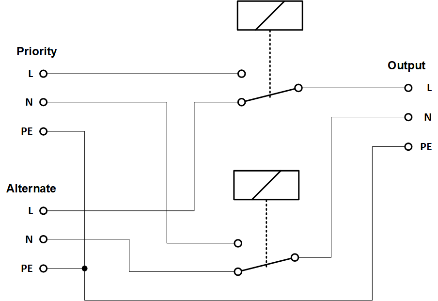
Intern bedradingsschema
Zoekresultaten
Geen resultaten gevonden
Terug