Skip to main content
Toggle navigation
Filax 2
print
Toggle navigation
Filax 2
Apéndice
Anterior
9
.
Apéndice
En esta sección
:
9.1
.
Dimensiones de la carcasa
9.2
.
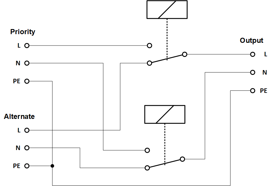
Diagrama de cableado interno
Resultados de la búsqueda
No se han encontrado resultados
Anterior