Skip to main content
Toggle navigation
Filax 2
print
Toggle navigation
Filax 2
Anhang
Zurück
9
.
Anhang
In diesem Abschnitt
:
9.1
.
Gehäuseabmessungen
9.2
.
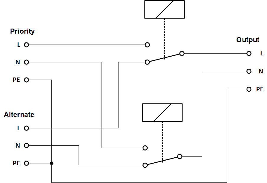
Internes Schaltbild
Suchresultat
Zurück