5. Systemdesign
5.1. Teiles des Lynx-Verteilersystems
Ein Lynx-Verteilersystem besteht aus einem einzelnen Lynx Shunt VE.Can-Modul.
Dann werden einzelne, mehrere oder eine Kombination von Lynx-Verteilermodulen und/oder Lynx Power In / Lynx Class-T Power In-Modulen hinzugefügt.
Zusammen bilden sie eine durchgehende Minus- und Plus-Sammelschiene mit Gleichstromanschlüssen und je nach Konfiguration integrierten Sicherungen, einem Batteriewächter und/oder Lithium-Batteriemanagement.
5.1.1. Zusammenschaltung von Lynx-Modulen
Jedes Lynx-Modul kann links und rechts an andere Lynx-Module angeschlossen werden. Beachten Sie, dass M10-Module nicht direkt an M8-Module angeschlossen werden können und umgekehrt.
Wenn das Lynx-Modul das erste in der Reihe, das letzte in der Reihe oder allein verwendet wird, ist es möglich, Batterien, Lasten oder Ladegeräte direkt an diese Anschlüsse anzuschließen. Bitte beachten Sie, dass zusätzliche Sicherungen erforderlich sein können, wenn Batterien und Lasten direkt an die Verbindungen angeschlossen werden.
Lynx-Verbindungen: Die Pfeile zeigen an, wo die anderen Lynx-Module angeschlossen werden können
Das Beispiel unten zeigt ein Lynx-System, das aus einem Lynx Power In, Lynx Shunt VE.Can und Lynx Distributor besteht. Zusammen bilden sie eine durchgängige Sammelschiene, mit ungesicherten Batterieanschlüssen, Batteriemonitor, Hauptsystemsicherung und gesicherten Lastanschlüssen.
Zusammengeschaltete Lynx-Module: Lynx Power In, Lynx Shunt VE.Can und Lynx Distributor. Rechts die Variante M10 mit Sammelschiene anstelle der Sicherung
5.1.2. Ausrichtung der Lynx-Module
Wenn das Lynx-System einen Lynx Shunt VE.Can enthält, müssen die Batterien immer an der linken Seite des Lynx-Systems angeschlossen werden und der Rest des Gleichstromsystems (Lasten und Ladegeräte) wird an der rechten Seite angeschlossen. Der Grund dafür ist, dass der Ladezustand der Batterie korrekt berechnet werden kann.
Beispiel für die Ausrichtung des Lynx-Moduls: Die Batterien werden auf der linken Seite angeschlossen, alle Lasten und Ladegeräte werden auf der rechten Seite angeschlossen
Die Lynx-Module können in beliebiger Ausrichtung montiert werden. Sollten sie verkehrt herum montiert werden, so dass der Text auf der Vorderseite der Geräte ebenfalls auf dem Kopf steht, sollten Sie die jedem Lynx-Modul beiliegenden Spezialaufkleber verwenden, damit der Text richtig ausgerichtet ist.
Beispiel eines kopfüber montierten Lynx-Moduls: Die Batterien werden auf der rechten Seite angeschlossen, alle Lasten und Ladegeräte auf der linken Seite und die Aufkleber werden kopfüber aufgeklebt.
5.1.3. Systembeispiel - Lynx Shunt VE.Can, Lynx Power In, Lynx Distributor und Bleiakkus
Dieses System besteht aus den folgenden Komponenten:
Lynx Power In mit 4 parallel geschalteten 12V-Bleiakkus.
Identische Kabellängen für jede Batterie.
Lynx Shunt VE.Can mit Hauptsicherung und Batteriewächter.
Lynx Distributor mit gesicherten Anschlüssen für Wechselrichter/Ladegerät(e), Lasten und Ladegeräte. Beachten Sie, dass zusätzliche Module hinzugefügt werden können, wenn mehr Anschlüsse benötigt werden.
Cerbo GX (oder ein anderes GX-Gerät), um die Daten des Batteriemonitors auszulesen.
System mit Lynx Shunt VE.Can, Blei-Säure-Batterien und einem Lynx Distributor
System mit Lynx Shunt VE.Can, Blei-Säure-Batterien und einem Lynx Distributor
5.2. Systemauslegung
5.2.1. Stromstärke Lynx-Module
Der Lynx Distributor, Lynx Shunt VE.Can, Lynx Class-T Power In und der Lynx Power In sind für einen Nennstrom von 1000 A und für eine Netzspannung von 12, 24 oder 48 V ausgelegt.
Um eine Vorstellung davon zu bekommen, wie viel Leistung die Lynx-Module bei verschiedenen Spannungen aufweisen, siehe untenstehende Tabelle. Die Stromstärke gibt Ihnen einen Hinweis darauf, wie groß das angeschlossene Wechselrichter-/Ladesystem sein kann. Bedenken Sie, dass bei Verwendung von Wechselrichtern oder Wechselrichter/Ladegeräten sowohl das Wechselstrom- als auch das Gleichstromsystem von den Batterien gespeist werden. Beachten Sie auch, dass ein Lynx Smart BMS oder ein Lynx Ion (nunmehr eingestellt) eine niedrigere Stromstärke haben kann.
12 V | 24 V | 48 V | |
|---|---|---|---|
1000 A | 12 kW | 24 kW | 48 kW |
5.2.2. Sicherungen
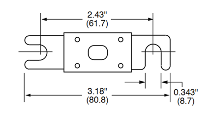
Der Lynx Shunt VE.Can M8 bietet Platz für eine CNN-Hauptsicherung. Es ist auch möglich, eine Mega-Sicherung an den M6-Bolzen anzubringen. Bei Victron führen wir die 325 A/80 V CNN-Sicherung (Teilenummer CIP140325000), aber sie sind in den Stärken 35 A bis 800 A fast überall erhältlich.
![]() |
Abmessungen der CNN-Sicherung in Zoll (mm)
Verwenden Sie stets Sicherungen mit der richtigen Spannung und Stromstärke. Passen Sie den Sicherungsstärke an die maximalen Spannungen und Ströme an, die im gesicherten Stromkreis potenziell auftreten können. Weitere Informationen zu Sicherungsstärken und den Sicherungsstromberechnungen finden Sie im Buch „Wiring Unlimited“.
Achtung
Der Gesamtwert der Sicherungen aller Stromkreise sollte nicht höher sein als die Stromstärke des Lynx-Moduls bzw. des Lynx-Modells mit der niedrigsten Stromstärke, wenn mehrere Lynx-Module verwendet werden.
5.2.3. Verkabelung
Die Stromstärke der Drähte oder Kabel, die zum Anschluss an die Lynx Shunt VE.Can (M8) Batterien und/oder die DC-Lasten verwendet werden, muss für die maximalen Ströme ausgelegt sein, die in den angeschlossenen Stromkreisen auftreten können. Verwenden Sie eine Verkabelung mit einer ausreichenden Aderfläche, die der maximalen Stromstärke des Stromkreises entspricht.
Weitere Informationen zur Verkabelung und zur Berechnung der Kabeldicke finden Sie im Buch „Wiring Unlimited“.
