2. Ominaisuudet
Eristysmuuntaja katkaisee maasähkön vaihtovirran ja aluksen välisen kontinuiteetin. Se on erittäin tärkeä turvallisuuden kannalta, ja se poistaa galvaanisten eristinten ja napaisuushälytysten tarpeen.
2.1. Sähköturvallisuus
Korkea sähköturvallisuus on itsestäänselvyys tavallisessa maasähköasennuksessa. Jos piirissä on oikosulku tai maavuoto virrankatkaisin tai vikavirtasuoja laukeaa.
Jos maasähköjärjestelmän maadoitusjohto kytketään aluksen metalliosiin, seurauksena on galvaaninen korroosio.
Jos alukseen kytketään vain vaihe- ja nollajohtimet, kytkentä voi olla vaarallinen, koska vikavirtasuojat eivät toimi eikä virrankatkaisin laukea oikosulussa aluksen metalliosaan.
2.2. Galvaanisen korroosion ehkäisy
Galvaanista korroosiota tapahtuu, kun kaksi eri metallia, joilla on sähköinen kontakti, altistetaan samanaikaisesti sähköä johtavalle nesteelle. Merivesi ja jossain määrin myös makea vesi ovat tällaisia nesteitä. Yleisesti ottaen korroosio iskee ensisijaisesti parin aktiivisempaan metalliseokseen, ja vähemmän aktiivisempi (jalompi) materiaali on katodina suojattu. Galvaanisen korroosion nopeus riippuu useasta eri muuttujasta, kuten pinta-alasuhteista, nesteen sähkönjohtavuudesta, lämpötilasta, materiaalien luonteesta yms.
Joskus kuulee sanottavan, että galvaanista korroosiota tapahtuu vain metallista ja alumiinista valmistetuissa rungoissa, mutta tämä ei pidä paikkaansa. Sitä voi tapahtua missä tahansa aluksessa heti kun metalliosa (akseli ja potkuri) on kosketuksissa veteen. Galvaaninen korroosio liuottaa nopeasti uhrisinkit ja alkaa sitten syövyttää akselia, potkuria ja muita veden kanssa kosketuksissa olevia metalliosia, kun alus on kytketty maasähköön. Tämän vuoksi voi syntyä houkutus jättää maattojohdin kytkemättä. Tämä on kuitenkin hyvin vaarallista, koska tällöin vikavirtasuoja ei toimi eikä virrankatkaisin laukea oikosulussa aluksen metalliosaan.
Paras ratkaisu galvaanisen korroosion estämiseksi ja samalla myös vaaratilanteiden välttämiseksi on varustaa järjestelmä eristysmuuntajalla, joka kytketään maasähkönsyöttöön. Eristysmuuntaja katkaisee maasähkön vaihtovirran ja aluksen välisen kontinuiteetin. Maasähkö syötetään muuntajan ensiöpuolelle ja alus kytketään sen toisiopuolelle. Eristysmuuntaja eristää aluksen kokonaan maasähkön maatosta. Kun kaikki metalliosat yhdistetään muuntajan toisiopuolen nollalähtöön, vikavirtasuoja tai virrankatkaisin laukeaa oikosulun sattuessa.
![]() Galvaanista korroosiota syntyy, kun maasähkön maatto on kontaktissa aluksen vedenalaisiin metalliosiin. |
|
![]() Maasähkön maatto on eristetty aluksen maatosta, ja maasähkökytkennästä johtuva galvaaninen korroosio on estetty. |
|
2.3. Jännitteiden muuntaminen
Eristysmuuntaja muuntaa tulojännitteen suhteessa 1:1,05. Muuntajan suhde 1:1,05 nostaa eristysmuuntajan lähtöjännitettä 5 %. Tällä kompensoidaan maasähkön jännitehäviöitä, joita satamissa tavallisesti ilmenee.
230 V:n tulojännite muunnetaan 240 V:iin.
Eristysmuuntajaa voidaan käyttää 50 Hz:n tai 60 Hz:n järjestelmissä. Eristysmuuntaja ei kuitenkaan voi muuntaa taajuuksia 50 Hz:stä 60 Hz:iin tai päinvastoin.
2.4. Pehmokäynnistys
Pehmokäynnistys on Victron Energy ‑eristysmuuntajan vakio-ominaisuus. Se estää maasähkön virrankatkaisinta laukeamasta muuntajan korkeiden tulovirtojen vuoksi.
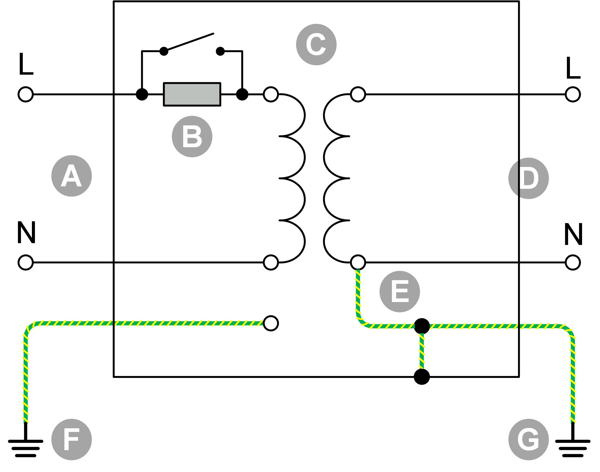
2.5. Sisäinen kytkentäkaavio
Eristysmuuntajan sisäinen kytkentäkaavio. |
|
2.6. Turvallisuus aluksen ollessa kuivilla
Turvallisuuden takaamiseksi suosittelemme kytkemään maasähkön maadoituksen aluksen maadoitukseen, kun alus on kuivilla kausisäilytystä tai huoltoa varten. Tämä on huomioitu eristysmuuntajassa.


