2. Funktioner
Isolationstransformatorn eliminerar all elektrisk kontinuitet mellan AC-landström och fartyget. Den är väsentlig för säkerheten och tar bort behovet av galvaniska isolatorer och polaritetslarm.
2.1. Elsäkerhet
Elsäkerheten tas för given när det handlar om standardinstallationer på land. En strömbrytare eller en GFCI (jordfelsbrytare) löser ut i händelse av en kortslutning eller strömläckage till jord.
Anslutning av jordkabeln från tillförseln på landsidan till metalldelarna på ett fartyg kommer att leda till galvanisk korrosion.
Att endast ta med den strömförande och neutrala kabeln ombord medför en osäker situation eftersom jordfelsbrytarna inte kommer att fungera och ingen brytare kommer att lösa ut i händelse av en kortslutning till en metalldel på fartyget.
2.2. Att förhindra galvanisk korrosion
Galvanisk korrosion uppstår när två olika metaller i elektrisk kontakt samtidigt utsätts för en elektriskt ledande vätska. Havsvatten och, i mindre utsträckning färskvatten, är sådana vätskor. I allmänhet korroderar företrädesvis den mer aktiva legeringen i kopplingen, medan det mindre aktiva materialet (mer nobla) är katodiskt skyddat. Mängden galvanisk korrosion beror på flera olika variabler, inklusive ytkvot, vätskans ledningsförmåga, temperatur, materialens karaktär osv.
Det är ett missförstånd att galvanisk korrosion endast uppstår i skrov av metall och aluminium. Det kan faktiskt uppstå i vilket fartyg som helst så fort som en metalldel (axel och propeller) kommer i kontakt med vatten. Galvanisk korrosion löser snabbt upp dina offeranoder och attackerar axel, propeller och andra metalldelar som är i kontakt med vatten när fartyget är anslutet till landströmsförsörjningen. Det kan kanske vara lockande att inte ansluta till jordledaren men detta är dock väldigt farligt eftersom en jordfelsbrytare inte kommer att fungera och inte heller koller en kretsbrytare lösas ut i händelse av en kortslutning till en metalldel på fartyget.
Den bästa lösningen för att undvika galvanisk korrosion, och samtidigt förhindra andra farliga situationer är att installera en isolationstransformator för att ansluta till landströmsförsörjningen. Isolationstransformatorn eliminerar all elektrisk kontinuitet mellan AC landström och fartyget. Landströmmen matas till transformatorns primära sida och fartyget är anslutet till den sekundära. Isolationstransformatorn isolerar fullständigt fartyget från landjorden. Genom att ansluta metalldelar till den neutrala utgången på den sekundära sidan av transformatorn kommer en jordfelsbrytare eller en brytare att lösas ut vid en kortslutning.
![]() Landjord ansluten till de metalldelar på fartyget som är under vatten kommer att orsaka galvanisk korrosion. |
|
![]() Landjorden är isolerad från fartygets jord och galvanisk korrosion som härstammar från landanslutningen blockeras. |
|
2.3. Omvandling av spänningar
Isolationstransformatorn omvandlar ingångsspänningen med ett förhållande på 1:1.05. Transformatorförhållandet på 1:1.05 upphöjer isolationstransformatorns utgångsspänning med 5 procent. Detta för att kompensera för bortfall i landspänningen som är vanligt förekommande i småbåtshamnar.
Isolationstransformatorn kan användas i system med 115 V eller 230 V och den kan även användas för att omvandla 230 V till 120 V och 115 V till 240 V. Beroende på isolationstransformatorn konfigurering:
Blir 230 V ingång 240 V.
Blir 230 V ingång 120 V.
Blir 115 V ingång 240 V.
Blir 115 V ingång 120 V.
Isolationstransformatorn kan användas i system med 50 Hz eller 60 Hz. Men isolationstransformatorn kan dock inte omvandla frekvenser från 50 Hz till 60 Hz eller vice versa.
2.4. Automatisk detektering av AC-ingångsspänning
Isolationstransformatorn känner automatiskt av den ingående spänningen och växlar till en AC-ingångskonfigurering på 115 eller 230 V beroende på ingångsspänningen.
Om ingångsspänningen är mellan 88 och 130 V växlar transformatorn till 115 V-ingångsläge.
Om ingångsspänningen är mellan 185 och 250 V växlar transformatorn till 230 V-ingångsläge.
2.5. Mjukstart
Mjukstart är en standardfunktion på en isolationstransformator från Victron Energy. Den förhindrar att landströmskretsbrytare löses ut på grund av transformatorns inkopplingsström.
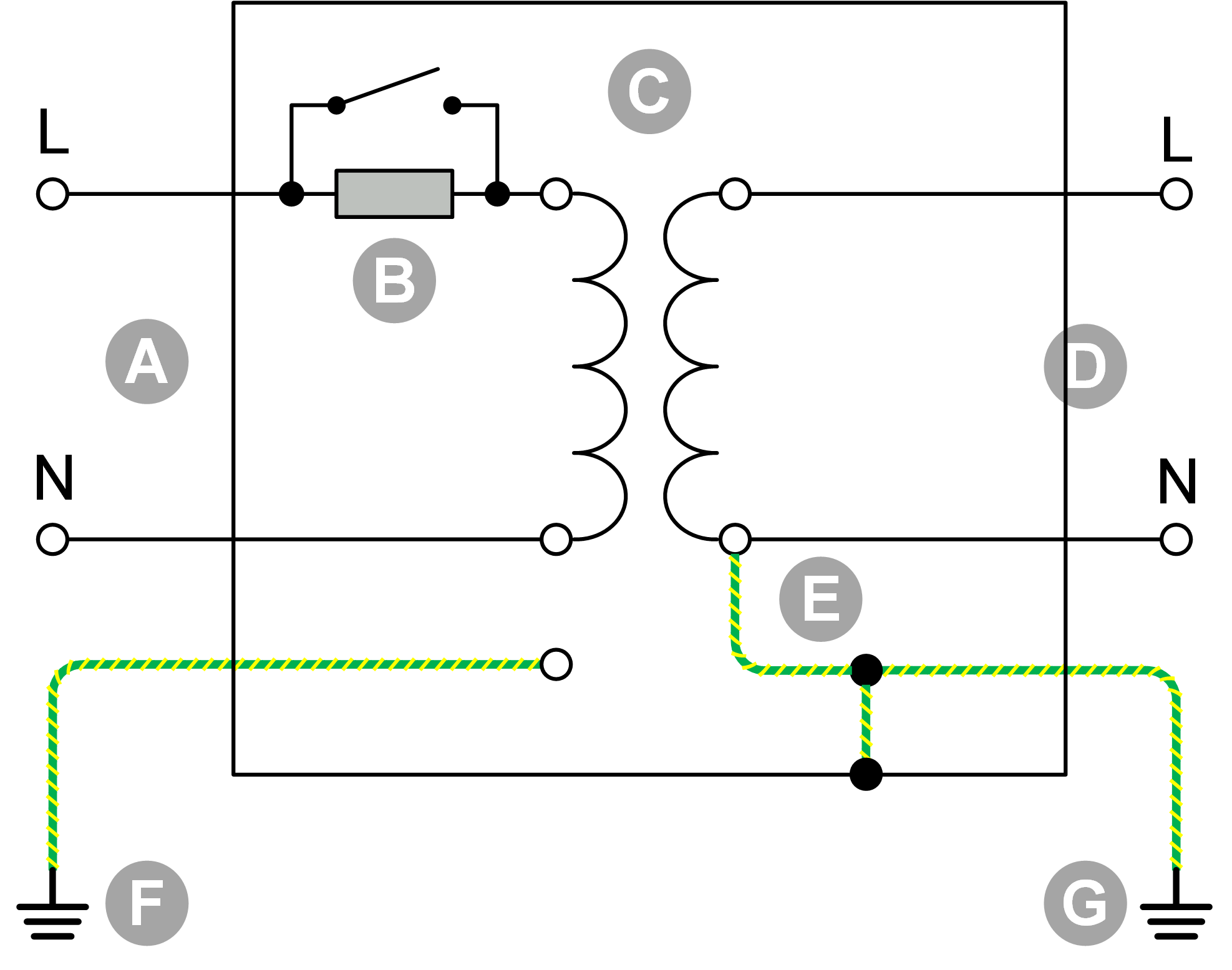
2.6. Internt kopplingsschema
Isolationstransformatorns interna kopplingsschema. |
|
2.7. Säkerhet när fartyget är uppe på land
För optimal säkerhet rekommenderas det att landjorden ansluts till fartygets jord när fartyget befinner sig på land, under vintern eller för underhåll. Isolationstransformatorn har en funktion för detta.


