2. Caracteristici
Transformatorul de izolare elimină continuitatea electrică între puterea curentului alternativ de la mal și navă. Acest lucru este esențial pentru siguranță și elimină necesitatea izolatoarelor galvanice și a alarmelor de polaritate.
2.1. Siguranța electrică
Siguranța electrică este un aspect esențial în cazul unei instalații standard de uscat. Un întrerupător de circuit se va declanșa sau un GFCI (întrerupătoare de circuit la sol) se va declanșa în cazul unui scurtcircuit sau a unei scurgeri de curent la sol.
Conectarea cablului de masă al alimentării de pe mal la piesele metalice ale navei va duce la coroziune galvanică.
Aducerea la bord numai a cablu sub tensiune și neutru produce o situație nesigură, deoarece GFCI nu vor funcționa și niciun întrerupător nu se va declanșa în cazul unui scurtcircuit la o piesă metalică a navei.
2.2. Prevenirea coroziunii galvanice
Coroziunea galvanică are loc în momentul în care două metale diferite în contact electric sunt expuse în același timp la un fluid conductor de electricitate. Apa de mare și, într-o mai mică măsură, apa dulce sunt exemple de astfel de fluide. În general, aliajul mai activ al cuplului se corodează de preferință, în timp ce materialul mai puțin activ (mai nobil) este protejat catodic. Rata de coroziune galvanică este o funcție dintre mai multe variabile, inclusiv raporturi zonale, conductivitate a fluidului, temperatura, natura materialelor etc.
Faptul că coroziunea galvanică are loc numai în carcasele din metal și aluminiu nu este adevărat. De fapt, coroziunea poate apărea pe orice navă de îndată ce o parte metalică (ax și elice) intră în contact cu apa. Coroziunea galvanică va dizolva rapid anozii de sacrificiu și va ataca arborele, elicea și alte părți metalice care intră în contact cu apa în momentul în care nava este conectată la sursa de la mal. Prin urmare, ar putea fi tentant să nu conectați conductorul de masă: totuși, acest lucru este extrem de periculos deoarece un GFCI nu va funcționa și nici un întrerupător nu se va declanșa în cazul unui scurtcircuit la o piesă metalică a navei.
Cea mai bună soluție pentru evitarea coroziunii galvanice și, în același timp, pentru prevenirea oricărei situații nesigure este instalarea unui transformator de izolare care să se conecteze la alimentarea de la mal. Transformatorul de izolare elimină continuitatea electrică între puterea de la mal și navă. Puterea de la mal este alimentată pe partea principală a transformatorului, iar nava este conectată la transformatorul secundar. Transformatorul de izolare izolează complet nava de masa de la mal. Prin conectarea tuturor pieselor metalice la ieșirea neutră de pe partea secundară a transformatorului, un GFCI sau un întrerupător se va declanșa în cazul unui scurtcircuit.
![]() Masa de la mal conectată la părțile metalice scufundate ale vasului duce la coroziune galvanică. |
|
![]() Masa de la mal este izolată de masa navei, iar coroziunea galvanică care provine de la conexiunea de la mal este blocată. |
|
2.3. Conversia tensiunilor
Transformatorul de izolare convertește tensiunea de intrare cu un raport de 1:1,05. Raportul transformatorului de 1:1,05 mărește tensiunea de ieșire a transformatorului de izolare cu 5 %. În acest fel, se compensează căderile de tensiune ale puterii la mal care au loc în mod normal în porturile de agrement.
Transformatorul de izolare poate fi folosit în sisteme de 115 V sau 230 V și poate fi folosit și pentru conversia 230 V la 120 V și 115 V la 240 V. În funcție de configurația transformatorului de izolare:
O intrare de 230 V devine 240 V.
O intrare de 230 V devine 120 V.
O intrare de 115 V devine 240 V.
O intrare de 115 V devine 120 V.
Transformatorul de izolare poate fi utilizat în sisteme de 50 Hz sau 60 Hz. Cu toate acestea, transformatorul de izolare nu poate transforma frecvențele de la 50 Hz la 60 Hz sau invers.
2.4. Detectare automată a tensiunii de intrare a curentului alternativ.
Transformatorul de izolare va detecta automat tensiunea de intrare și va comuta la o configurație de intrare de 115 sau 230 V, în funcție de tensiunea de intrare:
În cazul în care tensiunea de intrare este situată între 88 și 130 V, transformatorul trece la modul de intrare de 115 V.
În cazul în care tensiunea de intrare este situată între 185 și 250 V, transformatorul trece la modul de intrare de 230 V.
2.5. Pornire înceată
Pornirea înceată este o caracteristică standard a unui transformator de izolare Victron Energy. Această pornire va împiedica declanșarea întreruptorului de alimentare de la mal datorat curentului de pornire al transformatorului.
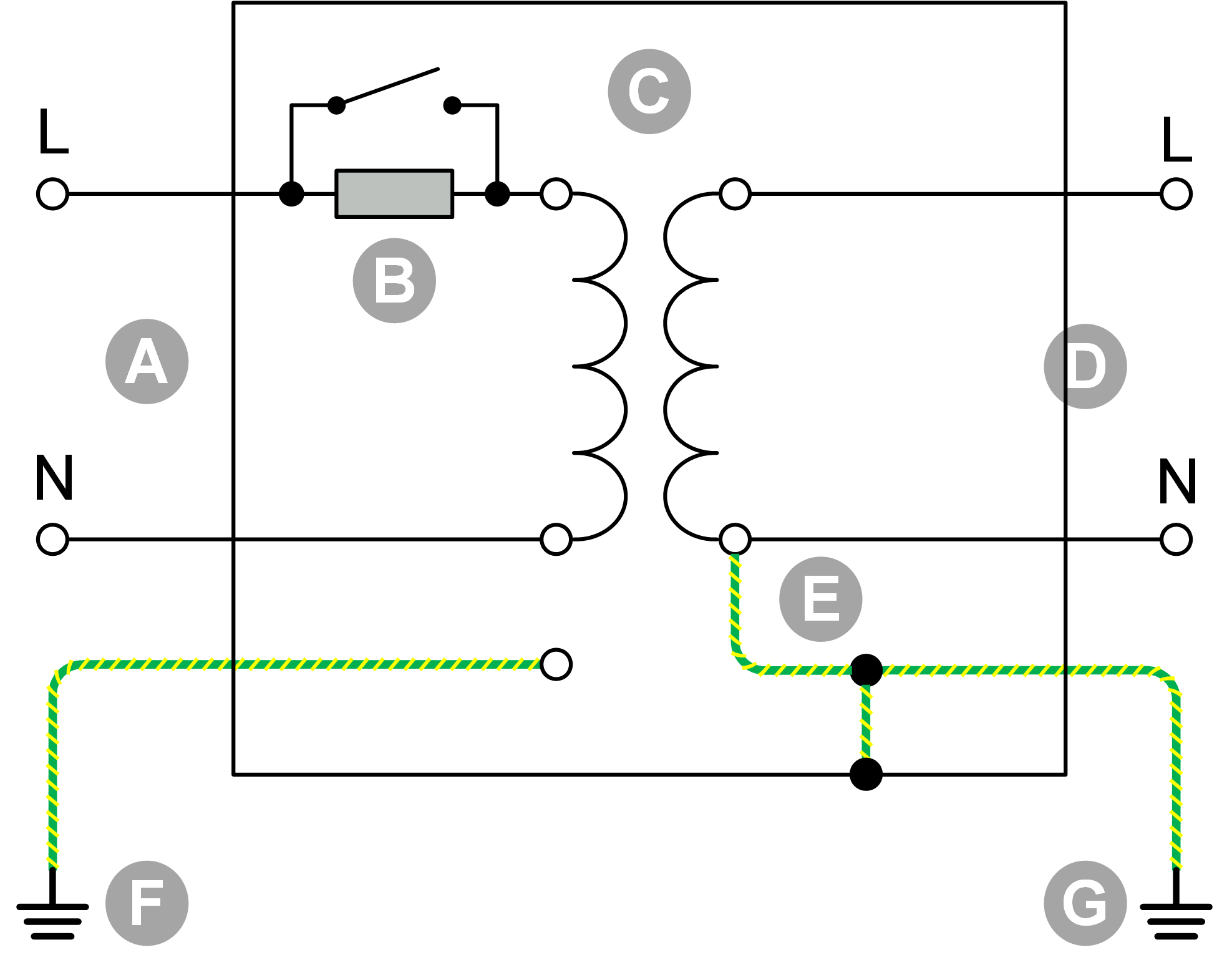
2.6. Schema de cablare internă
Schema de cablare internă a transformatorului de izolare. |
|
2.7. Siguranță atunci când nava nu este în apă
Pentru siguranța optimă se recomandă conectarea masei la mal la masa navei în momentul în care vasul nu este în apă, pe timp de iarnă sau pentru întreținere. Transformatorul de izolare are o facilitate pentru aceasta.


