2. Charakterystyka
Transformator separacyjny eliminuje ciągłość elektryczną między lądowym zasilaniem prądem zmiennym a jednostką pływającą. Jest to niezbędne dla bezpieczeństwa i eliminuje potrzebę stosowania izolatorów galwanicznych i alarmów polaryzacji.
2.1. Bezpieczeństwo elektryczne
W przypadku standardowej instalacji lądowej bezpieczeństwo elektryczne uznawane jest za oczywiste W przypadku zwarcia lub upływu prądu do uziemienia uruchomi się wyłącznik automatyczny lub GFCI (wyłącznik różnicowo-prądowy).
Podłączenie przewodu uziemiającego zasilania z lądu do metalowych części statku będzie powodować korozję galwaniczną.
Wyłącznie przewód pod napięciem i przewód zerowy na pokładzie powoduje niebezpieczną sytuację, ponieważ w przypadku zwarcia z metalową częścią statku GFCI nie zadziała, podobnie jak nie zadziała wyłącznik automatyczny.
2.2. Zapobieganie korozji galwanicznej
Korozja galwaniczna ma miejsce w sytuacji, gdy dwa różne metale pozostające w kontakcie elektrycznym są jednocześnie wystawione na działanie cieczy przewodzącej prąd elektryczny. Takimi cieczami są woda morska oraz, w mniejszym stopniu, woda słodka. Ogólnie rzecz biorąc, bardziej aktywny stop pary koroduje preferencyjnie, podczas gdy mniej aktywny (bardziej szlachetny) materiał jest chroniony katodowo. Tempo korozji galwanicznej jest funkcją kilku zmiennych, w tym stosunku powierzchni, przewodności cieczy, temperatury, rodzaju materiałów, itp.
Nieporozumieniem jest to, że korozja galwaniczna występuje tylko w kadłubach metalowych i aluminiowych. W rzeczywistości może ona mieć miejsce w przypadku każdej jednostki pływającej, gdy tylko metalowa część (wał i śruba napędowa) wejdzie w kontakt z wodą. Gdy łódź podłączona jest do brzegowego źródła zasilania, korozja galwaniczna szybko rozpuści anody protektorowe i zaatakuje wał, śrubę napędową i inne metalowe części mające kontakt z wodą. Dlatego rezygnacja z podłączenia przewodu uziemiającego może być kusząca; jest to jednak niezwykle niebezpieczne, gdyż w przypadku zwarcia z metalową częścią statku GFCI nie zadziała, podobnie jak nie zadziała wyłącznik automatyczny.
Najlepszym rozwiązaniem pozwalającym uniknąć korozji galwanicznej, a jednocześnie zapobiec wszelkim niebezpiecznym sytuacjom podczas korzystania z zasilania brzegowego jest zainstalowanie transformatora separacyjnego. Transformator separacyjny eliminuje ciągłość elektryczną między lądowym źródłem zasilania a jednostką pływającą. Zasilanie brzegowe doprowadzane jest do uzwojenia pierwotnego transformatora, a łódź podłączona jest do uzwojenia wtórnego. Transformator separacyjny całkowicie izoluje statek od uziemienia lądowego. Podłączając wszystkie metalowe części do wyjścia neutralnego po stronie wtórnej transformatora, w przypadku zwarcia zadziała GFCI lub wyłącznik automatyczny.
![]() Uziemienie brzegowe podłączone do zanurzonych w wodzie elementów metalowych statku powoduje korozję galwaniczną. |
|
![]() Uziemienie brzegowe jest odizolowane od uziemienia statku, a korozja galwaniczna pochodząca z przyłącza brzegowego zostaje zablokowana. |
|
2.3. Konwersja napięć
Transformator separacyjny przetwarza napięcie wejściowe ze współczynnikiem 1:1,05. Przełożenie transformatora 1:1,05 zwiększa napięcie wyjściowe transformatora separacyjnego o 5%. Ma to na celu zrekompensowanie spadków napięcia zasilania na lądzie, które są częstym zjawiskiem w marinach.
Transformatora separacyjnego można używać w instalacjach 115 V lub 230 V, a także do konwersji 230 V na 120 V oraz 115 V na 240 V. Zależnie od konfiguracji transformatora separacyjnego:
Napięcie wejściowe 230 V ulega zmianie na 240 V.
Napięcie wejściowe 230 V ulega zmianie na 120 V.
Napięcie wejściowe 115 V ulega zmianie na 240 V.
Napięcie wejściowe 115 V ulega zmianie na 120 V.
Transformator separacyjny można stosować w instalacjach 50 Hz lub 60 Hz. Jednakże transformator separacyjny nie może konwertować częstotliwości z 50 Hz na 60 Hz i odwrotnie.
2.4. Automatyczne wykrywanie napięcia wejściowego AC
Transformator separacyjny automatycznie wykrywa napięcie wejściowe i przełącza się na konfigurację wejścia 115 lub 230 V prądu przemiennego, zależnie od napięcia wejściowego:
Jeśli napięcie wejściowe wynosi od 88 do 130 V, transformator przełącza się w tryb wejściowy 115 V.
Jeśli napięcie wejściowe wynosi od 185 do 250 V, transformator przełącza się w tryb wejściowy 230 V.
2.5. Miękki start
Miękki start to standardowa funkcja transformatora separacyjnego Victron Energy. Zapobiega ona zadziałaniu wyłącznika zasilania lądowego z powodu prądu rozruchowego transformatora.
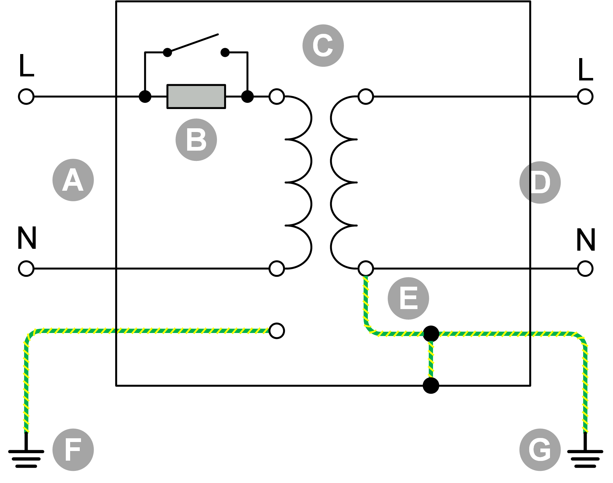
2.6. Schemat okablowania wewnętrznego
Schemat okablowania wewnętrznego transformatora separacyjnego. |
|
2.7. Bezpieczeństwo, po wyjęciu łodzi z wody
Celem zapewnienia optymalnego bezpieczeństwa zaleca się podłączenie uziemienia brzegowego do uziemienia łodzi, gdy znajduje się ona poza wodą, zimą lub podczas prowadzenia prac konserwacyjnych. Transformator separacyjny zapewnia taką możliwość.


