2. Eigenschaften
Der Trenntransformator verhindert eine fortlaufende elektrische Verbindung zwischen dem Landwechselstrom und dem Schiff. Er ist für die Sicherheit unerlässlich und erspart den Einsatz von galvanischen Trennungen und Polaritätsalarmen.
2.1. Elektrische Sicherheit
Die elektrische Sicherheit wird bei einer Standardinstallation an Land als selbstverständlich vorausgesetzt. Ein Stromkreisunterbrecher oder ein FI-Schutzschalter löst im Falle eines Kurzschlusses oder eines Stromausfalls gegen Erdung aus.
Wenn Sie das Erdungskabel der Landstromversorgung mit den Metallteilen eines Schiffes verbinden, führt dies zu galvanischer Korrosion.
Wenn Sie nur das stromführende und das neutrale Kabel an Bord bringen, führt dies zu einer unsicheren Situation, da FI-Schutzschalter nicht funktionieren und ein Stromkreisunterbrecher im Falle eines Kurzschlusses zu einem Metallteil des Schiffes nicht ausgelöst wird.
2.2. Verhinderung von galvanischer Korrosion
Galvanische Korrosion tritt auf, wenn zwei ungleiche Metalle in elektrischem Kontakt gleichzeitig einer elektrisch leitenden Flüssigkeit ausgesetzt sind. Meerwasser und, in geringerem Maße, Süßwasser sind solche Flüssigkeiten. Im Allgemeinen korrodiert die aktivere Legierung des Paares bevorzugt, während das weniger aktive (edlere) Material kathodisch geschützt ist. Die Geschwindigkeit der galvanischen Korrosion hängt von mehreren Variablen ab, darunter das Flächenverhältnis, die Leitfähigkeit der Flüssigkeit, die Temperatur, die Beschaffenheit der Materialien usw.
Es ist ein Missverständnis, dass galvanische Korrosion nur bei Metall- und Aluminiumrümpfen auftritt. Tatsächlich kann sie auf jedem Schiff auftreten, sobald ein metallisches Teil (die Welle und der Propeller) mit Wasser in Berührung kommt. Galvanische Korrosion wird Ihre Opferanoden schnell auflösen und die Welle, den Propeller und andere Metallteile angreifen, die mit Wasser in Berührung kommen, wenn das Schiff an die Landstromversorgung angeschlossen ist. Es mag daher verlockend sein, den Schutzleiter nicht anzuschließen: Dies ist jedoch äußerst gefährlich, da ein FI-Schutzschalter bei einem Kurzschluss zu einem Metallteil des Schiffes nicht funktioniert und auch ein Stromkreisunterbrecher nicht auslöst.
Die beste Lösung, um galvanische Korrosion zu vermeiden und gleichzeitig jede unsichere Situation zu verhindern, ist die Installation eines Trenntransformators für den Anschluss an die Landstromversorgung. Der Trenntransformator verhindert eine fortlaufende elektrische Verbindung zwischen der Landstromversorgung und dem Schiff. Der Landstrom wird in die Primärseite des Transformators eingespeist und das Schiff wird an die Sekundärseite angeschlossen. Der Trenntransformator isoliert das Schiff vollständig von der Landmasse. Durch den Anschluss aller Metallteile an den neutralen Ausgang auf der Sekundärseite des Transformators wird ein FI-Schutzschalter oder ein Stromkreisunterbrecher im Falle eines Kurzschlusses ausgelöst.
![]() Die Landmasse, die mit eingetauchten Metallen des Schiffes verbunden ist, verursacht galvanische Korrosion. |
|
![]() Die Landmasse ist von der Schiffsmasse isoliert, und galvanische Korrosion, die von der Landverbindung ausgeht, wird verhindert. |
|
2.3. Umwandlung von Spannungen
Der Trenntransformator wandelt die Eingangsspannung mit einem Verhältnis von 1:1,05 um. Das Transformatorverhältnis 1:1,05 erhöht die Ausgangsspannung des Trenntransformators um 5 %. Auf diese Weise werden Spannungsabfälle bei der Landstromversorgung kompensiert, die in Jachthäfen häufig vorkommen.
Der Trenntransformator kann in 115 V- oder 230 V-Systemen verwendet werden und kann auch dazu dienen, 230 V in 120 V und 115 V in 240 V umzuwandeln. Abhängig von der Konfiguration des Trenntransformators:
Wird ein 230 V-Eingang zu 240 V.
Wird ein 230 V-Eingang zu 120 V.
Wird ein 115 V-Eingang zu 240 V.
Wird ein 115 V-Eingang zu 120 V.
Der Trenntransformator kann in 50 Hz- oder 60 Hz-Systemen verwendet werden. Der Trenntransformator kann jedoch keine Frequenzen von 50 Hz in 60 Hz oder umgekehrt umwandeln.
2.4. Sanftanlauf
Der Sanftanlauf ist eine standardmäßige Eigenschaft eines Trenntransformators von Victron Energy. Dadurch wird verhindert, dass der Stromkreisunterbrecher für den Landstrom aufgrund des Einschaltstroms des Transformators ausgelöst wird.
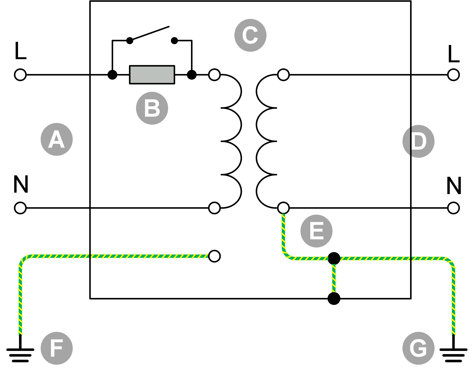
2.5. Internes Schaltbild
Internes Schaltbild des Trenntransformators. |
|
2.6. Sicherheit, wenn sich das Schiff nicht im Wasser befindet
Für eine optimale Sicherheit wird empfohlen, die Landerdung mit der Schiffserdung zu verbinden, wenn sich das Schiff im Winter oder bei Wartungsarbeiten nicht im Wasser befindet. Der Trenntransformator verfügt über eine entsprechende Funktion.


