Skip to main content

Isolation Transformer

2. Caratteristiche

In questa sezione:

Il trasformatore di isolamento elimina la continuità elettrica tra l’alimentazione CA da banchina e l’imbarcazione. È fondamentale per la sicurezza ed elimina la necessità di isolatori galvanici e allarmi di polarità invertita.

2.1. Sicurezza elettrica

La sicurezza elettrica si considera rispettata nel caso di un impianto standard di terraferma. Un interruttore automatico o GFCI (interruttore differenziale) scatta in caso di cortocircuito o guasto a terra.

Il collegamento del cavo di terra dell'alimentazione da banchina alle parti metalliche dell'imbarcazione causa la corrosione galvanica.

Se si portano a bordo solo il cavo del neutro e della linea, si crea una situazione non sicura giacché, in caso di cortocircuito per contatto con una parte metallica, il GFCI non funzionerà né scatterà l’interruttore.

2.2. Prevenzione della corrosione galvanica

La corrosione galvanica si verifica quando due metalli non simili in contatto elettrico sono esposti contemporaneamente ad un fluido elettricamente conduttivo. L'acqua del mare e, in misura minore, l'acqua dolce sono liquidi di tale tipo. In generale, delle due leghe si corrode soprattutto quella più attiva, mentre il materiale meno attivo (più nobile) è protetto catodicamente. La velocità della corrosione galvanica è una funzione a molte variabili, che includono i rapporti tra le aree, la conduttività del liquido, la temperatura, la natura dei materiali, ecc.

È sbagliato credere che la corrosione galvanica si verifichi solo in caso di scafi di metallo e alluminio. In realtà può verificarsi in qualsiasi imbarcazione nel momento in cui una parte metallica (albero, elica) entra in contatto con l'acqua. La corrosione galvanica dissolve rapidamente gli anodi protettivi e attacca l'albero, l'elica e le altre parti di metallo a contatto con l'acqua non appena l'imbarcazione viene collegata all'alimentazione da banchina. Di conseguenza, si potrebbe essere tentanti di non collegare il conduttore di terra, ma ciò è estremamente pericoloso, giacché, in caso di cortocircuito per contatto con una parte metallica, il GFCI non funzionerà né scatterà l’interruttore.

La soluzione migliore per evitare la corrosione galvanica, evitando allo stesso tempo di creare situazioni non sicure, è quella di installare un trasformatore di isolamento per il collegamento all'alimentazione da banchina. Il trasformatore di isolamento elimina qualsiasi continuità elettrica tra l’alimentazione da banchina e l’imbarcazione. L’alimentazione da banchina viene fornita al lato primario del trasformatore, mentre l’imbarcazione è collegata al lato secondario. Il trasformatore di isolamento isola completamente l'imbarcazione dalla messa a terra di banchina. Collegando tutte le parti di metallo all'uscita del neutro sul lato secondario del trasformatore, in caso di corto circuito scatterà il GFCI o l’interruttore.

Isolation_transformer_-_not_installed_-_galvanic_corrision.png

La messa a terra di banchina collegata ai metalli immersi dell'imbarcazione provoca la corrosione galvanica.

ID

Descrizione

A

Alimentazione CA da banchina

B

Distribuzione CA da banchina

C

GFCI (interruttore del circuito del guasto verso terra)

D

Alimentazione CA dell’imbarcazione

E

Corrosione galvanica

Isolation_transformer_-_installed_-_no_galvanic_corrision.png

La messa a terra di banchina è isolata dalla messa a terra dell'imbarcazione e la corrosione galvanica proveniente dal collegamento di banchina è bloccata.

ID

Descrizione

A

Alimentazione CA da banchina

B

Distribuzione CA da banchina

C

Trasformatore di isolamento

D

GFCI (interruttore del circuito del guasto verso terra)

E

Alimentazione CA dell’imbarcazione

2.3. Conversione delle tensioni

Il trasformatore di isolamento converte la tensione d'ingresso con un rapporto di 1:1,05. Il rapporto di trasformazione 1:1,05 aumenta del 5 % la tensione di uscita del trasformatore di isolamento. Ciò serve a compensare le cadute di tensione dell’alimentazione da banchina che si verificano spesso nei porti turistici.

Il trasformatore di isolamento può essere utilizzato in sistemi a 115 V o 230 V e anche per convertire 230 V in 120 V e 115 V in 240 V. In base alla configurazione del trasformatore di isolamento:

  • Un ingresso da 230 V passa a 240 V.

  • Un ingresso da 230 V passa a 120 V.

  • Un ingresso da 115 V passa a 240 V.

  • Un ingresso da 115 V passa a 120 V.

Il trasformatore di isolamento può essere utilizzato in sistemi a 50 Hz o 60 Hz. Tuttavia, il trasformatore di isolamento non può convertire le frequenze da 50 Hz a 60 Hz o viceversa.

2.4. Soft start (avvio progressivo)

Il Soft start (avvio progressivo) è una funzione standard del trasformatore di isolamento di Victron Energy. Impedirà all'interruttore di alimentazione da banchina di intervenire in seguito alla corrente di spunto del trasformatore.

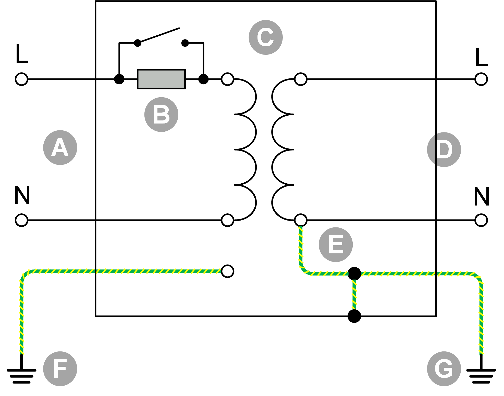
2.5. Schema cablaggio interno

Isolation_transformer_-_internal_wiring_diagram.png

Schema di cablaggio interno del trasformatore di isolamento.

ID

Descrizione

A

Connessione CA da banchina

B

Soft start (avvio progressivo)

C

Trasformatore

D

Connessione CA dell’imbarcazione

E

Collegamento Neutro-Terra (rimovibile)

F

Messa a terra di banchina

G

Messa a terra dell’imbarcazione

2.6. Sicurezza quando l'imbarcazione è fuori dall'acqua

Per una sicurezza ottimale, si consiglia di collegare la messa a terra di banchina alla messa a terra dell'imbarcazione quando questa è fuori dall'acqua, in inverno o per la manutenzione. Il trasformatore di isolamento è dotato di un'apposita funzione.