2. Características
El transformador de aislamiento elimina la continuidad eléctrica entre la alimentación del puerto y la embarcación. Es fundamental para la seguridad y elimina la necesidad de aislamiento galvánico y alarmas de polaridad.
2.1. Seguridad eléctrica
La seguridad eléctrica se da por garantizada en las instalaciones estándares de los puertos. Saltará un disyuntor o un interruptor de circuito de fallo de puesta a tierra (GFCI) en caso de cortocircuito o fugas de corriente a la conexión a tierra. Al conectar el cable de conexión a tierra de la alimentación del puerto a las partes metálicas de la embarcación, se producirá corrosión galvánica.
Pero llevar solo los cables con corriente y neutro a bordo genera una situación insegura porque los interruptores de circuito de fallo de puesta a tierra (GFCI) no funcionarán y tampoco saltará el disyuntor en caso de cortocircuito en alguna parte metálica de la embarcación.
2.2. Prevención de la corrosión galvánica
La corrosión galvánica se produce cuando dos metales distintos en contacto eléctrico se exponen simultáneamente a un líquido conductor de electricidad. El agua de mar y, en menor medida, el agua dulce, son líquidos de este tipo. En general, la aleación más activa de los dos se corroe antes, mientras que el material menos activo (más noble) tiene protección catódica. El grado de corrosión galvánica depende de diferentes variables, como la relación de áreas, la conductividad del fluido, la temperatura, la naturaleza de los materiales, etc.
Se cree erróneamente que solo los cascos de metal y aluminio sufren corrosión galvánica. De hecho, puede darse en cualquier embarcación en el momento en que una pieza metálica (el eje y la hélice) entra en contacto con el agua. La corrosión galvánica disolverá rápidamente los ánodos de sacrificio y atacará el eje, la hélice y otras partes metálicas que estén en contacto con el agua cuando el barco esté conectado a la alimentación del puerto. Puede resultar tentador no conectar el conductor de conexión a tierra, pero esto es extremadamente peligroso porque los interruptores de circuito de fallo de puesta a tierra (GFCI) no funcionarán, y tampoco saltará el disyuntor en caso de cortocircuito en alguna parte metálica de la embarcación.
Lo mejor para evitar la corrosión galvánica y, al mismo tiempo, evitar cualquier situación de inseguridad, es instalar un transformador de aislamiento para conectarse a la alimentación del puerto. El transformador de aislamiento elimina la continuidad eléctrica entre la alimentación del puerto y la embarcación. La alimentación del puerto se conecta a la parte primaria del transformador y la embarcación se conecta a la secundaria. El transformador de aislamiento aísla completamente el barco de la conexión a tierra del puerto. Al conectar todas las partes metálicas a la salida neutra de la parte secundaria del transformador, en caso de cortocircuito, saltará un interruptor de circuito de fallo de puesta a tierra (GFCI) o un disyuntor.
![]() La conexión a tierra del puerto conectada a los metales sumergidos del barco produce corrosión galvánica. |
|
![]() La conexión a tierra del puerto está aislada de la conexión a tierra del barco, de modo que la corrosión galvánica que se origina en la conexión al puerto queda bloqueada. |
|
2.3. Conversión de tensiones
El transformador de aislamiento convierte la tensión de entrada con una ratio de 1:1,05. La ratio de 1:1,05 del transformador incrementa un 5 % la tensión de salida del transformador de aislamiento. De este modo se compensan las caídas de tensión de la alimentación del puerto que se producen con frecuencia en los puertos.
El transformador de aislamiento puede usarse en sistemas de 115 V o 230 V y también puede utilizarse para convertir 230 V en 120 V y 115 V en 240 V. Según la configuración del transformador de aislamiento:
Una entrada de 230 V se convierte en 240 V.
Una entrada de 230 V se convierte en 120 V.
Una entrada de 115 V se convierte en 240 V.
Una entrada de 115 V se convierte en 120 V.
El transformador de aislamiento puede usarse en sistemas de 50 Hz o 60 Hz. Sin embargo, el transformador de aislamiento no puede convertir frecuencias de 50 Hz a 60 Hz ni al revés.
2.4. SoftStart (arranque suave)
El arranque suave es una característica estándar de los transformadores de aislamiento de Victron Energy. Evitará que el disyuntor de la alimentación del puerto salte debido a la corriente de irrupción del transformador.
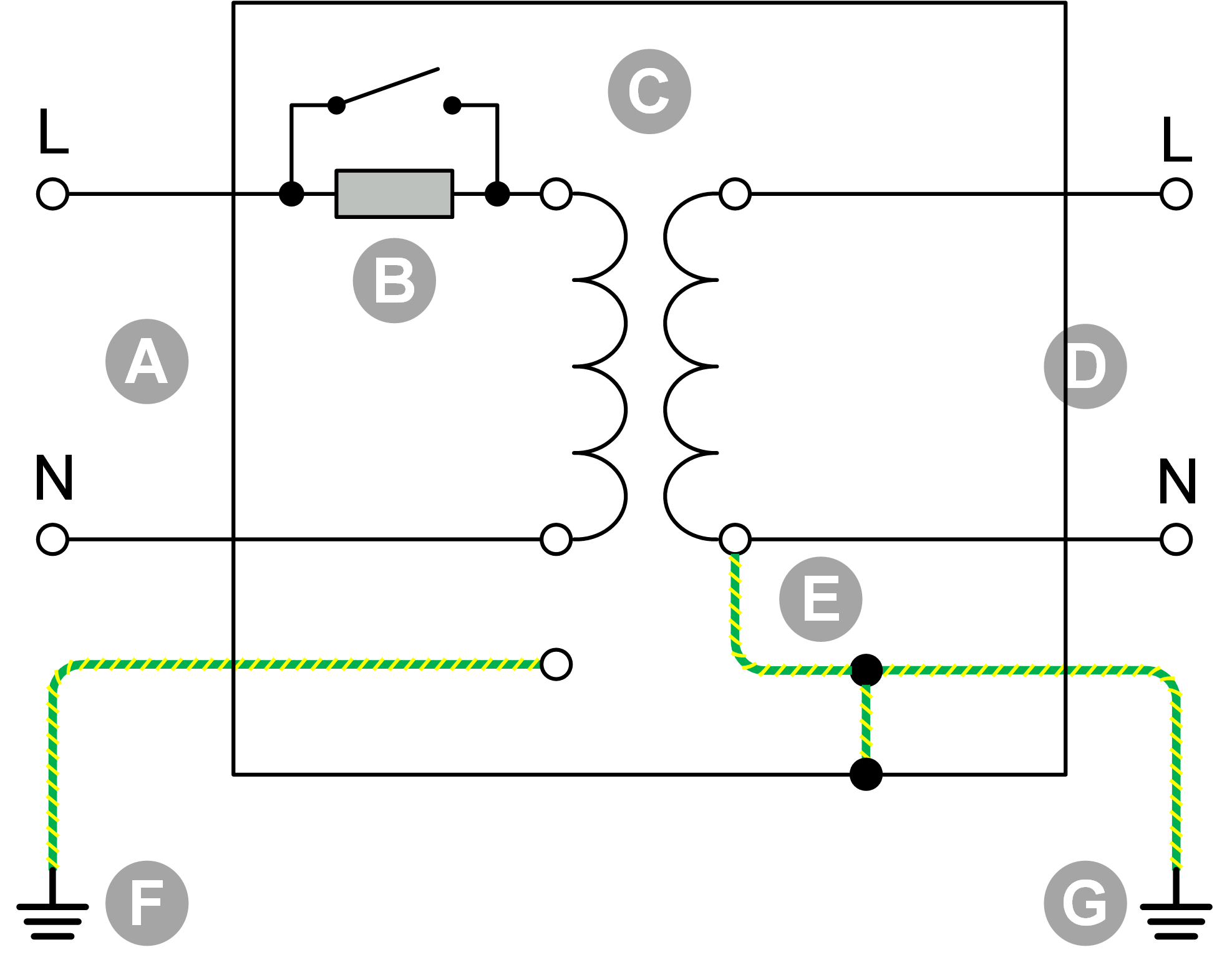
2.5. Diagrama de cableado interno
Diagrama de cableado interno del transformador de aislamiento. |
|
2.6. Seguridad cuando el barco está fuera del agua
Se recomienda, para que las condiciones de seguridad sean óptimas, conectar la puesta a tierra del puerto a la del barco cuando el barco esté fuera del agua, durante el invierno o por tareas de mantenimiento. El transformador de aislamiento cuenta con una instalación para ello.


