2. Características
O transformador de isolamento elimina qualquer continuidade elétrica entre a energia do cais CA e a embarcação. É essencial para a segurança e elimina a necessidade de isoladores galvânicos e de alarmes de polaridade.
2.1. Segurança elétrica
A segurança elétrica é considerada como assegurada numa instalação de terra comum. Um disjuntor dispara ou um GFCI (disjuntor de falha de terra) dispara em caso de curto-circuito ou fuga de corrente para a terra. Ligar o cabo de terra da alimentação do lado do cais às peças metálicas de uma embarcação origina corrosão galvânica.
Instalar apenas o cabo sob tensão e neutro a bordo cria uma situação insegura, porque os GFCI não funcionam, nem o disjuntor dispara em caso de curto-circuito com uma peça metálica na embarcação.
2.2. Prevenção da corrosão galvânica
A corrosão galvânica ocorre quando dois metais dissimilares em contacto elétrico são expostos simultaneamente a um fluido condutor elétrico. A água do mar e, em menor medida, a água doce são fluidos assim. De uma forma geral, a liga mais ativa do par é corroída preferencialmente, enquanto o material menos ativo (mais nobre) está protegido de forma catódica. A velocidade da corrosão galvânica depende de diversas variáveis, incluindo as relações de área, da condutividade do fluido, a temperatura, a natureza dos materiais, etc.
É incorreto pensar que a corrosão galvânica ocorre somente nos cascos de metal e alumínio. Na verdade, pode ocorrer em qualquer embarcação quando uma peça metálica (o veio e a hélice) estiver em contacto com a água. A corrosão galvânica vai dissolver rapidamente os ânodos sacrificiais e atacar o veio, a hélice e outras peças metálicas em contacto com a água quando a embarcação estiver conectada à alimentação do lado do cais. Portanto, pode ser tentador não conectar o condutor de terra: no entanto, tal seria extremamente perigoso, porque o GFCI não iria funcionar, nem o disjuntor disparar em caso de curto-circuito com uma peça metálica na embarcação.
A melhor solução para evitar a corrosão galvânica e, ao mesmo tempo, evitar qualquer situação insegura é instalar um transformador de isolamento a conectar à alimentação do cais. O transformador de isolamento elimina qualquer continuidade elétrica entre a energia do cais e a embarcação. A energia do cais é alimentada ao lado primário do transformador, enquanto a embarcação está ligada ao secundário. O transformador de isolamento isola completamente a embarcação do aterramento do cais. Ao conectar todas as peças metálicas à saída neutra no lado secundário do transformador, um GFCI ou um disjuntor dispara em caso de curto-circuito.
![]() O aterramento do cais ligado a metais imersos da embarcação causa corrosão galvânica. |
|
![]() O aterramento do cais é isolado do aterramento da embarcação e a corrosão galvânica proveniente da ligação do cais é bloqueada. |
|
2.3. Conversão das tensões
O transformador de isolamento converte a tensão de entrada com uma relação de 1:1,05. A relação do transformador 1:1,05 aumenta a tensão de saída do transformador de isolamento em 5 %. Isto permite compensar as quedas de tensão da energia do cais que são uma ocorrência comum em marinas.
O transformador de isolamento pode ser utilizado em sistemas de 115 V ou 230 V e também para converter 230 V para 120 V e 115 V para 240 V. Dependendo da configuração do transformador de isolamento:
Uma entrada de 230 V torna-se 240 V.
Uma entrada de 230 V torna-se 120 V.
Uma entrada de 115 V torna-se 240 V.
Uma entrada de 115 V torna-se 120 V.
O transformador de isolamento pode ser utilizado em sistemas de 50 Hz ou 60 Hz. No entanto, o transformador de isolamento não pode converter frequências de 50 Hz em 60 Hz ou vice-versa.
2.4. Deteção automática da tensão de entrada CA
O transformador de isolamento deteta automaticamente a tensão de entrada e muda para uma configuração de entrada CA de 115 V ou 230 V, dependendo dessa tensão de entrada:
Se a tensão de entrada variar de 88 V a 130 V, o transformador muda para o modo de entrada de 115 V.
Se a tensão de entrada variar de 185 V a 250 V, o transformador muda para o modo de entrada de 230 V.
2.5. Arranque suave
O arranque suave é uma caraterística comum de um transformador de isolamento de energia da Victron. Isto vai evitar que o disjuntor da energia do cais dispare devido à corrente de entrada do transformador.
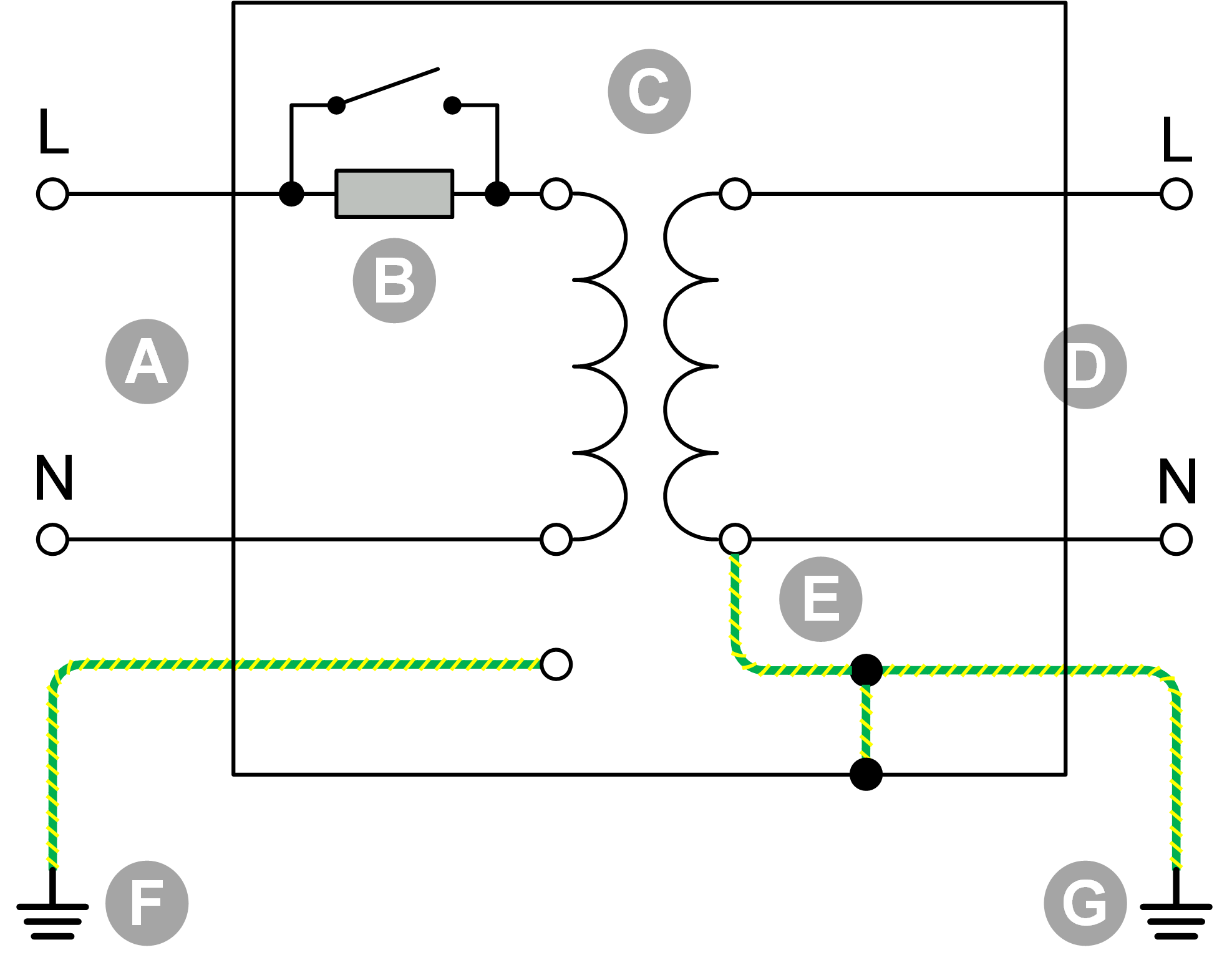
2.6. Esquema de ligações internas
Esquema elétrico interno do transformador de isolamento. |
|
2.7. Segurança quando a embarcação estiver fora da água
É recomendável, para uma segurança ideal, ligar o aterramento do cais ao aterramento da embarcação quando esta estiver fora da água, durante o inverno ou a manutenção. O transformador de isolamento tem uma função apropriada.


