Skip to main content

Isolation Transformer

2. Características

Nesta secção:

O transformador de isolamento elimina qualquer continuidade elétrica entre a energia do cais CA e a embarcação. É essencial para a segurança e elimina a necessidade de isoladores galvânicos e de alarmes de polaridade.

2.1. Segurança elétrica

A segurança elétrica é considerada como assegurada numa instalação de terra comum. Um disjuntor dispara ou um GFCI (disjuntor de falha de terra) dispara em caso de curto-circuito ou fuga de corrente para a terra. Ligar o cabo de terra da alimentação do lado do cais às peças metálicas de uma embarcação origina corrosão galvânica.

Instalar apenas o cabo sob tensão e neutro a bordo cria uma situação insegura, porque os GFCI não funcionam, nem o disjuntor dispara em caso de curto-circuito com uma peça metálica na embarcação.

2.2. Prevenção da corrosão galvânica

A corrosão galvânica ocorre quando dois metais dissimilares em contacto elétrico são expostos simultaneamente a um fluido condutor elétrico. A água do mar e, em menor medida, a água doce são fluidos assim. De uma forma geral, a liga mais ativa do par é corroída preferencialmente, enquanto o material menos ativo (mais nobre) está protegido de forma catódica. A velocidade da corrosão galvânica depende de diversas variáveis, incluindo as relações de área, da condutividade do fluido, a temperatura, a natureza dos materiais, etc.

É incorreto pensar que a corrosão galvânica ocorre somente nos cascos de metal e alumínio. Na verdade, pode ocorrer em qualquer embarcação quando uma peça metálica (o veio e a hélice) estiver em contacto com a água. A corrosão galvânica vai dissolver rapidamente os ânodos sacrificiais e atacar o veio, a hélice e outras peças metálicas em contacto com a água quando a embarcação estiver conectada à alimentação do lado do cais. Portanto, pode ser tentador não conectar o condutor de terra: no entanto, tal seria extremamente perigoso, porque o GFCI não iria funcionar, nem o disjuntor disparar em caso de curto-circuito com uma peça metálica na embarcação.

A melhor solução para evitar a corrosão galvânica e, ao mesmo tempo, evitar qualquer situação insegura é instalar um transformador de isolamento a conectar à alimentação do cais. O transformador de isolamento elimina qualquer continuidade elétrica entre a energia do cais e a embarcação. A energia do cais é alimentada ao lado primário do transformador, enquanto a embarcação está ligada ao secundário. O transformador de isolamento isola completamente a embarcação do aterramento do cais. Ao conectar todas as peças metálicas à saída neutra no lado secundário do transformador, um GFCI ou um disjuntor dispara em caso de curto-circuito.

Isolation_transformer_-_not_installed_-_galvanic_corrision.png

O aterramento do cais ligado a metais imersos da embarcação causa corrosão galvânica.

ID

Descrição

A

Alimentação CA do cais

B

Distribuição CA do cais

C

GFCI (disjuntor de falha de terra)

D

Alimentação CA da embarcação

E

Corrosão galvânica

Isolation_transformer_-_installed_-_no_galvanic_corrision.png

O aterramento do cais é isolado do aterramento da embarcação e a corrosão galvânica proveniente da ligação do cais é bloqueada.

ID

Descrição

A

Alimentação CA do cais

B

Distribuição CA do cais

C

Transformador de isolamento

D

GFCI (disjuntor de falha de terra)

E

Alimentação CA da embarcação

2.3. Conversão das tensões

O transformador de isolamento converte a tensão de entrada com uma relação de 1:1,05. A relação do transformador 1:1,05 aumenta a tensão de saída do transformador de isolamento em 5 %. Isto permite compensar as quedas de tensão da energia do cais que são uma ocorrência comum em marinas.

O transformador de isolamento pode ser utilizado em sistemas de 115 V ou 230 V e também para converter 230 V para 120 V e 115 V para 240 V. Dependendo da configuração do transformador de isolamento:

  • Uma entrada de 230 V torna-se 240 V.

  • Uma entrada de 230 V torna-se 120 V.

  • Uma entrada de 115 V torna-se 240 V.

  • Uma entrada de 115 V torna-se 120 V.

O transformador de isolamento pode ser utilizado em sistemas de 50 Hz ou 60 Hz. No entanto, o transformador de isolamento não pode converter frequências de 50 Hz em 60 Hz ou vice-versa.

2.4. Arranque suave

O arranque suave é uma caraterística comum de um transformador de isolamento de energia da Victron. Isto vai evitar que o disjuntor da energia do cais dispare devido à corrente de entrada do transformador.

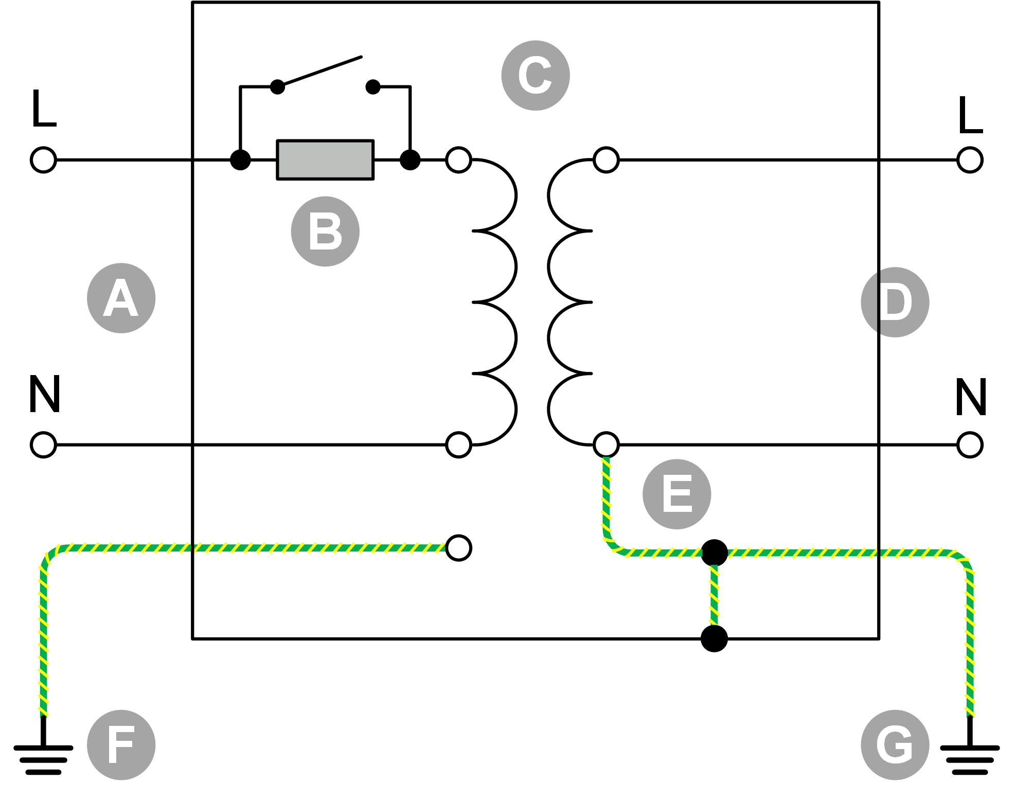
2.5. Esquema de ligações internas

Isolation_transformer_-_internal_wiring_diagram.png

Esquema elétrico interno do transformador de isolamento.

ID

Descrição

A

Ligação CA do cais

B

Arranque suave

C

Transformador

D

Ligação CA da embarcação

E

Neutro - Ligação à terra (amovível)

F

Aterramento do cais

G

Aterramento da embarcação

2.6. Segurança quando a embarcação estiver fora da água

É recomendável, para uma segurança ideal, ligar o aterramento do cais ao aterramento da embarcação quando esta estiver fora da água, durante o inverno ou a manutenção. O transformador de isolamento tem uma função apropriada.